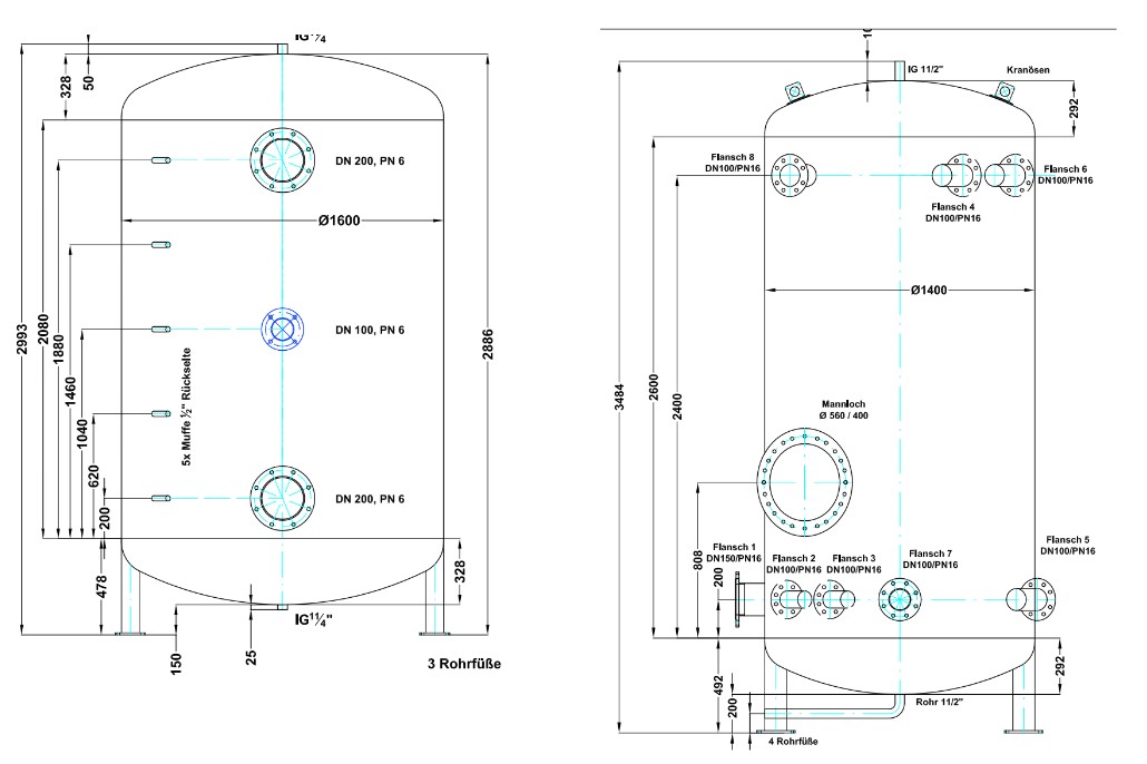
Abmessungen der Pufferspeicher – Größe & Maße

abmessungen-pufferspeicher-ausführungen-vorlagen-konstruktion

Volumen der Pufferspeicher – 1000, 2000, 3000 Liter und mehr!

Maße Größe Pufferspeicher Ausführungen-vorlagen-konstruktion-abteilung